中文版  | English    微信
Shenzhen Jindou Science Technology CO.,Ltd.

Your Here:Home >Products->All Product

Products |








Print 】 【 Close Window
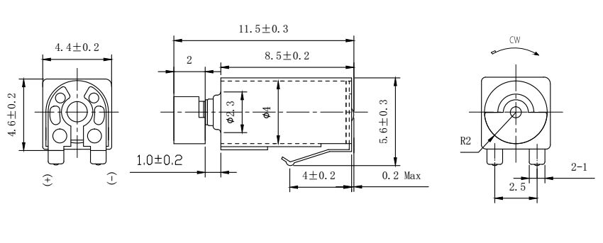
  Denomination:JD4S039D



产品型号

额定电压

额定电流

额定转速

启动电压

堵转电流

电枢电阻

振动量

响应时间

JD4S039D

3.0V DC

≤85mA

14000±3000rpm

2.0V DC

110mA

40±15%Ω

0.9G

15ms

注:马达摆锤、导线长度可按客户需求选用不同规格。


Copyright @2007 All Rights Reserved 深圳市劲抖科技发展有限公司
地址:深圳市宝安区西乡街道黄田杨贝工业区一期五栋五楼
电话:0755-29491162 传真:0755-86219489  邮箱:sales@powmotor.com