中文版  | English    微信
深圳市劲抖科技发展有限公司

当前位置:首页 >产品展示->所有产品

产品中心 |








打印文章 】 【 关闭窗口
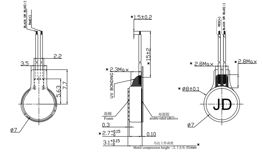
  名称:JD082715A






产品型号

额定电压

额定电流

额定转速

启动电压

堵转电流

电枢电阻

振动量

响应时间

JD082715A

3.0V DC

≤95mA

13000±3000rpm

2.3V DC

120mA

56±5Ω

0.8G

75ms

注:马达泡棉厚度、导线长度可按客户需求选用不同规格。


Copyright @2007 All Rights Reserved 深圳市劲抖科技发展有限公司
地址:深圳市宝安区西乡街道黄田杨贝工业区一期五栋五楼
电话:0755-29491162 传真:0755-86219489  邮箱:sales@powmotor.com 粤ICP备11035085号